Inscriptio Us
Products
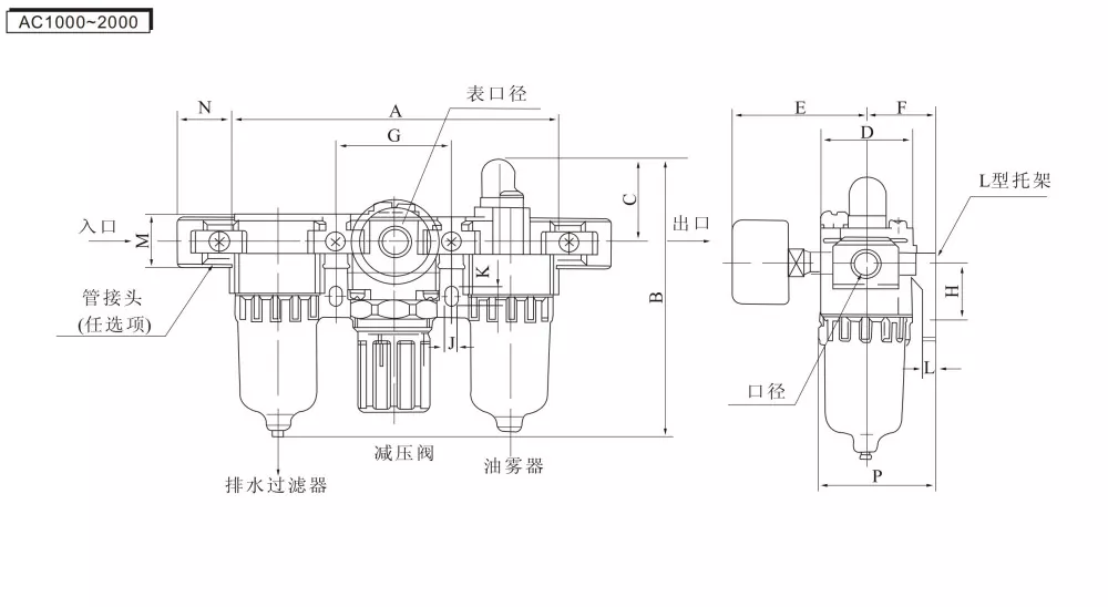
SMC Type AC FRL Unit
  • SMC Type AC FRL UnitSMC Type AC FRL Unit
  • SMC Type AC FRL UnitSMC Type AC FRL Unit
  • SMC Type AC FRL UnitSMC Type AC FRL Unit

SMC Type AC FRL Unit

Model:AC2000-02
Typus SMC AC FRL Unitas (Filter-Regulator-Lubricator) est fundamentale pneumaticum quod fontem aeris filtrationem integrat, pressionis reductionem et dispositionem, ac curationem lubricationis. Aerem purum, stabilem et lubricum compressum pro systematibus pneumaticis praebet, eoque extendit spatium partium pneumaticorum et systematis stabilitatis augendae. OLK AC Series FRL Unit as the essential "custotor" of modern systems pneumatica agit.
  • Brand:

    OLK
  • Type:

    SMC TYPE AC SERIES
  • Port size:

    PT1/8 ; PT1/4 ; PT3/8 ; PT1/2 ; PT3/4 ; PT1
  • Filter Material:

    Copper filter

SMC Type AC FRL Unit Features & Design:

Sui obfirmatio Temperatio: Features a pressura auto-densis mechanism. Postquam desideravit pressionem positam, nodi simpliciter impellunt ad claudendum. Hoc statutum pressurae impedit mutationem ob tremores externas vel contactum accidentalem.

Versatile Drainage: Available in utraque optiones Manuale Exhaurire et Auto Exhaurire ut diversis conditionibus operantibus conveniat. Patera perspicua permittit facile adipiscing aquae gradus.

Summus Precision Cange: Instructus precisionis precisionis coniecturam ad claram, accuratam lectionem et realem-tempus pressionis systematis vigilantiam.

SMC Type AC FRL Unit Notitia:

Check flow Direct: Quaeso cognoscere editi versus ante institutionem! Notae directiones influunt in vertice corporis valvae (Sagittae vel IN/OUT). Indicatores stricte sequuntur ad institutionem. Inaugurari vicissim faciam malfunction vel ultrices.

Iusto sustentatione: Reprehendo aquam in phiala regulariter aequare et eam exhaurire si genus exhaurire manuali utens. Replere rubricator oleum cum low (ISO VG32 oleum Turbine commendatur).

SMC Type AC FRL Unit Symbolum:

Mandans signum

AC

2000

-

02

-

D

Series codice

Testa magnitudine

 

Portus magnitudinis:

 

Exhaurire Methodo

AC:SMC Type AC FRL Unit

1000

 

M5:M5

 

Blank: Manual Drain

 

2000

 

02:1/4

 

A: Differentialis Pressura Exhaurire

 

3000

 

03:3/8

 

D: Auto exhaurire

 

4000

 

04:1/2

 

 

 

5000

 

06:3/4

 

 

 

 

 

10:1

 

 

 

Probatur pressura

1.5 Mpa (15.3kgf/cm³)

Max.Working pressura

1.0Mpa(10.2kgf/cm³)

Environment and fluida temperatus

5-60℃

Filtrum apertura

5μm

Oleum

ISOVG32

Poculum materiae

PC

Calicem cucullo

AC1000-2000 (WIHTOUT) AC3000-5000 (with)

Pressura regulans range

AC1000:0.05-0.7 Mpa (0.51-7.1 kgf/cm³)

AC2000-5000:0.05-0.085 Mpa(0.51-8.7 kgf/cm³)

Pressura METIOR series orificium


MM series

MMM series

(IV) series

(V) series

AW

1/8

1/4

AC

BR

1/4

-

BFC

-

Institutionem gradus ad SMC Type AC FRL Unit:

Primum, taenia TPFE involuta et pressione gauge, articulos institue

2. Sequere directionem sagittae: ​​latus sinistrum est aer attractio, et dextrum latus est aer exitus

3. Tubulas aereas coniunge ad cæremonias utriusque fines

4. Leva pressionem temperatio nucis sursum et gyrari eam ad pressionem regularem; conversus clockwise auget aerem, dum conversus counterclockwise decrescit aer

5. Adjust ad desideratum pressuram aeris, tunc premet accommodans sursum ad claudendum aerem

6. Si cibus necessarius est, cochleam in unguento solve

7. Funde oleum pneumaticum sustentationem vel turbinem olei in oleum inclusum (curet oleum pneumaticum non excedit lineam olei in calice indicatam)

8. Pneumaticum oleum postquam impleverit, nucem allen clavis obstringere

9. Oleum gyrationis copia compone: clockwise auget oleum, counterclockwise deprimit


Exhaurire Type

Principium opus

Applicationem Environment

commoda

Incommoda

Manual Drain

Aqua coacervata in patera colum emittitur per manualem rotationem vel valvae exhauriendam certis intervallis premendis. Utrum INCILE completum ab operatione manuali dependeat.

Simplex systemata seu applicationes cum infrequentibus INCILE exigentias.

Simplex structura, humilis certe defectus, nulla addita sustentatio requiritur.

Operatione manuali nititur; facile oblivisci resecare. Nimia aquae cumulus effectum filtrationis afficere potest.

Pressura differentialis Exhaurire

Utitur pressione differentia ante et post colum. Cum condensata cumulus augetur et pressionis differentialis valorem pretii attingit, automatice exhauriunt. Iterum claudit iterum pressio differentialis ad normalem redit. Operatur solum quando est pressura aeris et refluxus.

Ambitus cum copia aeris stabili et condiciones operativae simplices, ubi operatio manualis non convenit.

Nulla potentia copia requiritur. Incilia automataria, certiora quam manualia exhaustionem.

Firmum aeris pressura requirit. INCILE perficientur per longas shutdowns limitatur vel cum nulla pressionis differentialis est.

Automatic Exhaurire

Utitur supernatet mechanismo vel timer. Cum condensate aliquem gradum attingit, exhaurire automatice aperit

Automated lineae et systemata productio cum magnis compressis qualitas aeris requisita.

Opportunum ac stabile adficio.

Relative altiores sumptus.


AFQs:

Cur AC FRL appellatur?

AF (Aeris Filter) + AR (Pressura valvae regulans) + AL (Oleum Nubila Lubricator) = AC Triplex Unitas


Commendatur nexum modum

Aeris compressor -- Air source processus -- Control component -- Actuator


Quid facerem, si poculum plasticum tegumentum tutelae saepe facile frangit?

Nonnulli clientes saepe inveniunt quod pocula plastica non propter pressionem sed propter materiam resiliunt. Pocula plastica quibusdam ambitibus non resistunt, calices metallicae melioris modo in certis condicionibus efficiendis


Quomodo extendere servitium vitae valvae solenoidei cylindrici?

Colamentum utens potest ab aere humorem et immunditiam tollere, efficaciter minuere frictioni detrimentum pistonibus et annulis obsignandis. A rubricator adhiberi potest ad oleum Turbine addere, quod deinde ab aere portatur ad cylindrum cylindricum et annulos obsignandos ad lubricandum. Pressio moderatrix potest attractio aeris pressurae accommodare, efficientiam laboris amplius emendare


Quae materia est elementum colum OLK factum?

OLK elementis colum columbus utitur cum subtilitate filtationis 25μm, dum elementa fibra ordinaria subtiliter solum 5μm habent. Alta subtilitas sparguntur elementa efficaciter immunditiam et humorem e vapore removere possunt, dum output aerem siccum et contaminantium liberum est.


Hot Tags: SMC Type AC FRL Unit, China, Manufacturer, Supplier, Factory
Mitte Inquisitionem
Contactus info
Welcome to website! Percontationes de productis nostris vel pretioso, quaeso nobis electronicam relinque et intra 24 horas continuabimus.
E-mail
cici@olkptc.com
Mobile
+86-13736765213
Oratio
Zhengtai Road, Xinguang Industrial Zonam, liushi, Yueqing, Wenzhou, Zhejiang, Sina.
X
Crusulis utimur ut meliorem experientiam pasco tibi praebeamus, situm negotiationis et personalize contentus analyse. Hoc situ utendo, ad nostrum crustulorum usum consentis. Privacy Policy
Reject Accipe