Inscriptio Us
Products
Tac Pneumatic Toggle CYMBALE
  • Tac Pneumatic Toggle CYMBALETac Pneumatic Toggle CYMBALE

Tac Pneumatic Toggle CYMBALE

Sicut professionalis fabricantibus, Olk vellem providere vobis Tac pneumatic Toggle CYMBALE. Et Olk offerre optimum post-Sale servitium et opportune partus.

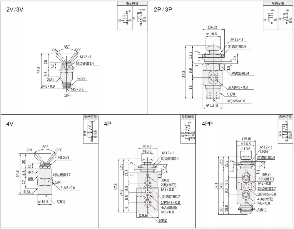
Et Tac Pneumatic Toggle CYMBALE (Item notum est ut switch valvae) est praecisione switching component specialiter disposito pro pneumatic systems et fluidum imperium. Cum eius unique toggle-type imperium structuram, quod Achieves rapid Switching et precise imperium fluidi semitas.

Et Tac Series Toggle CYMBALE II Position II modo, II Position III via et II Position V modo potest esse chose.a variis vectis type et duo genera filum: M5, G1 / VIII.

Application missionibus

Industrial automation apparatu, mechanica processus, aedificium materiae dispensando, industria et metalla, cibum et potum industria, medicinae apparatu, etc.

Product Features

Parvus in magnitudine requirit parum installation spatium et intuitiva operari manually, idoneam ad missionibus requirere frequentes commutatione.

Tac Toggle CYMBALE SYMBOL et forma

Odentes codice

TAC

2

__

2

P

 

 

 

 

 

Tac series Toggle CYMBALE

 

 

II, 2Position II via (M5)

P: Dis-trahere button type

 

 

 

III, II Position III via (M5)

V: Type Vecte

 

 

 

IV: II Powerit V modo (M5)

PP: Geminus Dish-viverra Button

 

 

 

XXXI: II Position III via (G1 / VIII)

 

 

 

 

XLI: II Powerit V modo (G1 / VIII)

 

 

Exemplar

Portus magnitudine

 

Numerus
positus

Efficax  
Cross-Sectional Area

Pressura range

LIQUOR

Ambiens
Temperamentum

 

Tac-2v

= Outlet = m5   

II Position II modo

1.9mm²

0.05 ~ 0.9PPA

Aera

0 ~ LX

Tac-2p

= Outlet = m5   

II Position II modo

1.9mm²

Tac-3v

= Outlet = m5   

II Position III modo

1.9mm²

Tac-3p

= Outlet = m5   

II Position III modo

1.9mm²

Tac-4v

= Outlet = m5   

II Position V modo

1.9mm²

Tac-4p

= Outlet = m5   

II Position V modo

1.9mm²

4ppp

G1 / VIII

 

II Position V modo

4.5mm²

Tac2-31v

= Outlet = exhauriunt = G1 / VIII   

II Position III modo

4.5mm²

Tac2-31p

= Outlet = exhauriunt = G1 / VIII   

II Position III modo

4.5mm²

Tac2-41v

= Outlet = G1 / VIII exhauriunt = M5

II Position V modo

4.5mm²

Tac2-41p

= Outlet = G1 / VIII exhauriunt = M5

II Position V modo

4.5mm²

Tac2-41pp

= Outlet = G1 / VIII exhauriunt = M5

II Position V modo

4.5mm²

FAQs:

Quid interest inter Toggle valvae et mechanica valvae?

Potest distinguere Toggle valvae et mechanica valvae per imperium genus: Toggle CYMBALE est vecte tenens Type, mechanica CYMBALE est dis-viverra Puga

 

Quid interest inter Toggle valvae et valvulae?

Imperium Toggle Valvulae consequi denique fluxus ordinacione per a conical CORE, quae est idoneam ad praecisam imperium in parva-diametrum, cum pila valvulae sunt magis idoneam ad velox ostium et claudunt operationes.

Hot Tags: Tac Pneumatic Toggle CYMBALE, Sina, Manufacturer, elit, Factory
Mitte Inquisitionem
Contactus info
Welcome to website! Percontationes de productis nostris vel pretioso, quaeso nobis electronicam relinque et intra 24 horas continuabimus.
E-mail
cici@olkptc.com
Mobile
+86-13736765213
Oratio
Zhengtai Road, Xinguang Industrial Zonam, liushi, Yueqing, Wenzhou, Zhejiang, Sina.
X
Crusulis utimur ut meliorem experientiam pasco tibi praebeamus, situm negotiationis et personalize contentus analyse. Hoc situ utendo, ad nostrum crustulorum usum consentis. Privacy Policy
Reject Accipe